Дополнительная информация
Фотографии станка
Общая компановка станка
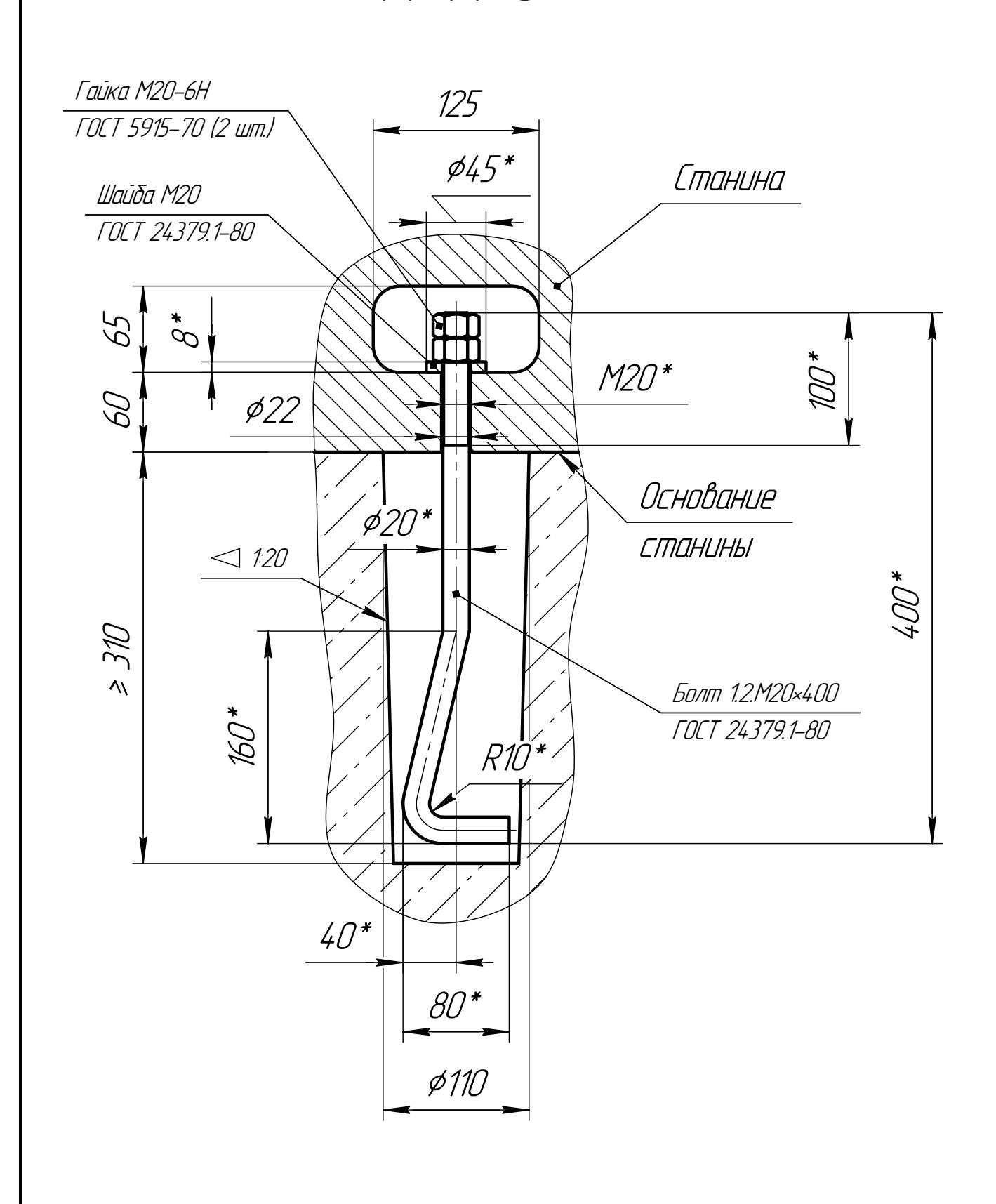
Кинематическая схема- Установочный чертеж станка
Интересное по теме 60%
Призыв к действию
Выбирайте станок, за который не придётся оправдываться перед цехом. Мы делаем так, чтобы он работал сразу.
Зубодолбежные станки:
Отправить запрос




